產品系列
- 32.768KHz
- 石英晶振
- 貼片晶振
- 聲表面濾波器
- 陶瓷晶振
- 陶瓷霧化片
- 陶瓷濾波器
- 微孔霧化片
- CTS晶振
- KDS晶振
- 愛普生晶振
- 西鐵城晶振
- 精工晶體
- 村田晶振
- 京瓷晶振
- DST310S晶振
- 日本大河晶體
- NDK晶振
- 亞陶晶振
- 日本富士晶振
- NAKA晶振
- SMI晶振
- NKG晶振
- NJR晶振
- Q-Tech晶振
- ABRACON晶振
- VECTRON晶振
- JAUCH晶振
- ConnorWinfield晶振
- Rakon晶振
- ECS晶振
- Greenray晶振
- ECLIPTEK晶振
- GOLLEDGE晶振
- STATEK晶振
- Pletronics晶振
- SITIME晶振
- Microcrystal晶振
- RALTRON晶振
- AEK晶振
- AEL晶振
- ILSI晶振
- FOX晶振
- fujicom晶振
- CRYSTEK晶振
- interquip晶振
- Geyer晶振
- quartzcom晶振
- qantek晶振
- EUROQUARTZ晶振
- quarztechnik晶振
- Cardinal晶振
- FRE-TECH晶振
- KVG晶振
- wi2wi晶振
- Transko晶振
- suntsu晶振
- mmdcomp晶振
- MERCURY晶振
- MTRONPTI晶振
- ACT晶振
- MTI晶振
- Lihom晶振
- Rubyquartz晶振
- Oscilent晶振
- SHINSUNG晶振
- ITTI晶振
- PDI晶振
- IQD晶振
- Microchip晶振
- Silicon晶振
- Anderson晶振
- Fortiming晶振
- CORE晶振
- NIPPON晶振
- NIC晶振
- QVS晶振
- Bomar晶振
- Bliley晶振
- GED晶振
- FILTRONETICS晶振
- STD晶振
- Wenzel晶振
- NEL晶振
- EM晶振
- PETERMANN晶振
- FCD-Tech晶振
- HEC晶振
- FMI晶振
- Macrobizes晶振
- AXTAL晶振
- SUNNY晶振
- ARGO晶振
- Renesas瑞薩晶振
- SKYWORKS晶振
- NSK晶振
- 臺灣加高諧振器
- 臺灣鴻星晶體
- TXC晶振
- 臺灣希華晶振
- 臺灣泰藝晶體
- AKER晶振
晶振廠家
進口晶振
歐美晶振
臺產晶振
Tel:0755-27838351
Add:廣東深圳市寶安區67區留仙一路甲岸科技園3棟5樓
Email:konuaer@163.com
QQ:632862232
晶振官方博客
更多>>.jpg)

4-SMD,NX3225SA-25.000M-STD-CSR-3,25MHz,8pF,±15ppm,3225mm諧振器,日本進口NDK晶振,型號NX3225SA,編碼為:NX3225SA-25.000M-STD-CSR-3,是一款小體積晶振尺寸3.2×2.5×0.55mm四腳貼片晶振,無源晶振,石英晶體諧振器,無鉛環保晶振,工作溫度范圍:-40℃至+125℃,在極端惡劣的環境條件下也能具有穩定的啟動特性,優異的抗環境性能,如耐熱、振動和抗沖擊性,回流溫度分布(可用于無鉛焊接),符合AEC-Q200,緊湊的表面安裝晶體單元,特別適用于汽車電子產品,汽車電子控制板,汽車動力轉向控制器,汽車遙控器,汽車音影晶振,汽車胎壓檢測,通訊設備,無線網絡,藍牙模塊,醫療設備,平板電腦等應用。
.gif)
4-SMD,NX3225SA-25.000M-STD-CSR-3,25MHz,8pF,±15ppm,3225mm諧振器,參數表
| Item | Model | NX3225SA | ||
| Nominal Frequency | 12 to 64 MHz | 16 to 54 MHz | 40 to 150 MHz | |
| Overtone Order | Fundamental | Fundamental | 3rd overtone | |
| Frequency Tolerance (25 ±3 °C) | ±15 × 10−6 | ±10 × 10−6 | ±20 × 10−6 | |
|
Frequency versus Temperature Characteristics (with reference to +25 °C) |
±25 × 10−6 | ±10 × 10−6 | ±25 × 10−6 | |
| Operating Temperature Range | −40 to +85 °C | −20 to +75 °C | −40 to +85 °C | |
| Storage Temperature Range | −40 to +85 °C | |||
| Equivalent Series Resistance | Refer to *1 | Refer to *2 | Refer to *3 | |
| Level of Drive | 10 μW (Max. 200 μW) | |||
| Load Capacitance | 8 pF | 10 pF | Series resonance | |
| Specifications Number | STD-CSR-6 | STD-CSQ-1 | STD-CSR-7 | |
.gif)
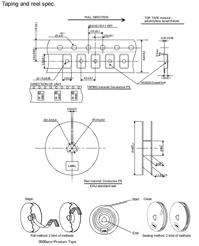
4-SMD,NX3225SA-25.000M-STD-CSR-3,25MHz,8pF,±15ppm,3225mm諧振器 尺寸圖

| 貼片石英晶振 | 品牌 | 型號 | 頻率 | 頻率穩定度 | 包裝/封裝 |
| NX3225SA-24.000MHZ-STD-CSR-1 | NDK晶振 | NX3225SA | 24MHz | ±15ppm | 4-SMD, No Lead |
| NX3225SA-16.000MHZ-STD-CSR-1 | NDK晶振 | NX3225SA | 16MHz | ±15ppm | 4-SMD, No Lead |
| NX3225SA-32.000MHZ-STD-CSR-1 | NDK晶振 | NX3225SA | 32MHz | ±15ppm | 4-SMD, No Lead |
| NX3225SA-26.000MHZ-STD-CSR-1 | NDK晶振 | NX3225SA | 26MHz | ±15ppm | 4-SMD, No Lead |
| NX3225SA-20.000MHZ-STD-CSR-1 | NDK晶振 | NX3225SA | 20MHz | ±15ppm | 4-SMD, No Lead |
| NX3225SA-14.31818MHZ-STD-CSR-1 | NDK晶振 | NX3225SA | 14.31818MHz | ±15ppm | 4-SMD, No Lead |
| NX3225SA-24.576MHZ-STD-CSR-1 | NDK晶振 | NX3225SA | 24.576MHz | ±15ppm | 4-SMD, No Lead |
| NX3225SA-27.000MHZ-STD-CSR-1 | NDK晶振 | NX3225SA | 27MHz | ±15ppm | 4-SMD, No Lead |
| NX3225SA-32M-EXS00A-02994 | NDK晶振 | NX3225SA | 32MHz | ±15ppm | 4-SMD, No Lead |
| NX3225SA-25.000M-STD-CSR-3 | NDK晶振 | NX3225SA | 25MHz | ±15ppm | 4-SMD, No Lead |
| NX3225SA-20.000M-STD-CSR-3 | NDK晶振 | NX3225SA | 20MHz | ±15ppm | 4-SMD, No Lead |
| NX3225SA-26.000M-STD-CSQ-1 | NDK晶振 | NX3225SA | 26MHz | ±10ppm | 4-SMD, No Lead |
| NX3225SA-30.000M-STD-CSR-3 | NDK晶振 | NX3225SA | 30MHz | ±15ppm | 4-SMD, No Lead |
| NX3225SA-32MHZ-EXS00A-CS02368 | NDK晶振 | NX3225SA | 32MHz | ±16ppm | 4-SMD, No Lead |
| NX3225SA-25.000M-STD-CRS-2 | NDK晶振 | NX3225SA | 25MHz | ±50ppm | 4-SMD, No Lead |
| NX3225SA-27M-STD-CRS-2 | NDK晶振 | NX3225SA | 27MHz | ±50ppm | 4-SMD, No Lead |
| NX3225SA-12MHZ-STD-CSR-6 | NDK晶振 | NX3225SA | 12MHz | ±25ppm | 4-SMD, No Lead |
| NX3225SA-16MHZ-STD-CSR-6 | NDK晶振 | NX3225SA | 16MHz | ±25ppm | 4-SMD, No Lead |
| NX3225SA-26.000000MHZ-G4 | NDK晶振 | NX3225SA | 26MHz | ±10ppm | 4-SMD, No Lead |
| NX3225SA-26.000000MHZ-B1 | NDK晶振 | NX3225SA | 26MHz | ±10ppm | 4-SMD, No Lead |
| NX3225SA-16.000000MHZ-T1 | NDK晶振 | NX3225SA | 16MHz | ±10ppm | 4-SMD, No Lead |
| NX3225SA-26.000000MHZ-G2 | NDK晶振 | NX3225SA | 26MHz | ±11ppm | 4-SMD, No Lead |
| NX3225SA-16.000000MHZ-B3 | NDK晶振 | NX3225SA | 16MHz | ±15ppm | 4-SMD, No Lead |
| NX3225SA-26.000000MHZ-G3 | NDK晶振 | NX3225SA | 26MHz | ±10ppm | 4-SMD, No Lead |
| NX3225SA-39.000000MHZ-B4 | NDK晶振 | NX3225SA | 39MHz | ±10ppm | 4-SMD, No Lead |
| NX3225SA-20.000M-STD-CRS-2 | NDK晶振 | NX3225SA | 20MHz | ±50ppm | 4-SMD, No Lead |
| NX3225SA-16.000M-STD-CRS-2 | NDK晶振 | NX3225SA | 16MHz | ±50ppm | 4-SMD, No Lead |
| NX3225SA-26.000M-STD-CSR-3 | NDK晶振 | NX3225SA | 26MHz | ±15ppm | 4-SMD, No Lead |
| NX3225SA-40.000MHZ-STD-CSR-1 | NDK晶振 | NX3225SA | 40MHz | ±15ppm | 4-SMD, No Lead |
| NX3225SA-20.000000MHZ-B2 | NDK晶振 | NX3225SA | 20MHz | ±15ppm | 4-SMD, No Lead |
| NX3225SA-114.285MHZ-EXS00A-CS06528 | NDK晶振 | NX3225SA | 114.285MHz | ±20ppm | 4-SMD, No Lead |
| NX3225SA-27.12M-STD-CSR-3 | NDK晶振 | NX3225SA | 27.12MHz | ±15ppm | 4-SMD, No Lead |
| NX3225SA-12.000M-STD-CRS-2 | NDK晶振 | NX3225SA | 12MHz | ±50ppm | 4-SMD, No Lead |
| NX3225SA-12.000MHZ-STD-CSR-1 | NDK晶振 | NX3225SA | 12MHz | ±15ppm | 4-SMD, No Lead |
| NX3225SA-13.56M-STD-CSR-3 | NDK晶振 | NX3225SA | 13.56MHz | ±15ppm | 4-SMD, No Lead |
| NX3225SA-40M-EXS00A-CS03880 | 石英晶振 | NX3225SA | 40MHz | ±17ppm | 4-SMD, No Lead |
| NX3225SA-25.000M-STD-CSR-6 | NDK晶振 | NX3225SA | 25MHz | ±25ppm | 4-SMD, No Lead |
| NX3225SA-12MHZ-STD-CSR-3 | NDK晶振 | NX3225SA | 12MHz | ±15ppm | 4-SMD, No Lead |
| NX3225SA-24.000M-STD-CSR-3 | NDK晶振 | NX3225SA | 24MHz | ±15ppm | 4-SMD, No Lead |
| NX3225SA-22.000MHZ-STD-CSR-1 | NDK晶振 | NX3225SA | 22MHz | ±15ppm | 4-SMD, No Lead |
| NX3225SA-25.000MHZ-STD-CSR-1 | NDK晶振 | NX3225SA | 25MHz | ±15ppm | 4-SMD, No Lead |
| NX3225SA-12.288M-STD-CSR-3 | NDK晶振 | NX3225SA | 12.288MHz | ±15ppm | 4-SMD, No Lead |
| NX3225SA-13M-STD-CSR-6 | NDK晶振 | NX3225SA | 13MHz | ±25ppm | 4-SMD, No Lead |
| NX3225SA-12.288M-STD-CRS-2 | NDK晶振 | NX3225SA | 12.288MHz | ±50ppm | 4-SMD, No Lead |
| NX3225SA-44.000MHZ-STD-CSR-1 | NDK晶振 | NX3225SA | 44MHz | ±15ppm | 4-SMD, No Lead |
| NX3225SA-16MHZ-STD-CSR-3 | NDK晶振 | NX3225SA | 16MHz | ±15ppm | 4-SMD, No Lead |
| NX3225SA-40.000M-STD-CRS-2 | NDK晶振 | NX3225SA | 40MHz | ±50ppm | 4-SMD, No Lead |
| NX3225DA-16.000MHZ-EXS00A-03311 | NDK晶振 | NX3225SA | 16MHz | - | 4-SMD, No Lead |
.gif)
1.技術支持 2.客服咨詢
全方位技術指導,專業的技術支持讓您感受到 專業的銷售團隊,耐心為您解答任何疑問,讓您的
前所未有的后顧無憂. 消費得到保障.
3.質量保證,誠信為上 4.提升業績,降低成本
我司以“以科技為動力,以質量求生存”為理念. 為您的產品量身訂制,免費取樣,
為您做到低成本,高效率.

全方位技術指導,專業的技術支持讓您感受到 專業的銷售團隊,耐心為您解答任何疑問,讓您的
前所未有的后顧無憂. 消費得到保障.
3.質量保證,誠信為上 4.提升業績,降低成本
我司以“以科技為動力,以質量求生存”為理念. 為您的產品量身訂制,免費取樣,
為您做到低成本,高效率.

| 深圳市康華爾電子有限公司 |
| 電 話: +86-755-27838351 |
| 手 機:13823300879 |
| 傳 真: +86-755-27883106 |
| Q Q: 632862232 |
| MSN: konuaer@163.com |
| E-mail:konuaer@163.com |
| 網 址:http://www.osvtxm.cn |
|
地 址:廣東深圳市寶安寶安大道東95號浙商銀行大廈1905 |









銷售代表
售后服務